Product Introduction
1. The grooved reducing tee is made from ductile iron.
2. Lead free orange paint is coated on the grooved pipe tee.
3. These pipe tees conform to ASTM A536 standards.
4. Each is UL listed and FM approved.

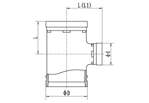
| Nominal size mm/in | Pipe O.D mm/in | Dimensions | Working Pressure (psi) | ||||
| L(mm) | D | d | |||||
| L | L1 | L | mm | mm | |||
| SHORT | SHORT(+) | ||||||
| 50×32 | 60.3×42.4 | 70 | 60 | 42 | 300 | ||
| 2×11/4 | 2.375×1.669 | ||||||
| 50×40 | 60.3×48.3 | 70 | 60 | 48 | |||
| 2×11/2 | 2.375×1.9 | ||||||
| 65× 32 | 73×42.4 | 76 | 73 | 42 | |||
| 21/2x11/4 | 2.875×1.669 | ||||||
| 65× 40 | 73×48.3 | 76 | 73 | 48 | |||
| 21/2x11/2 | 2.875×1.9 | ||||||
| 65× 50 | 73×60.3 | 76 | 73 | 60 | |||
| 21/2x2 | 2.875×2.375 | ||||||
| 65× 32 | 76.1× 42.4 | 76 | 76 | 42 | |||
| 21/2x11/4 | 3× 1.669 | ||||||
| 65× 40 | 76.1× 48.3 | 76 | 76 | 48 | |||
| 21/2x11/2 | 3× 1.9 | ||||||
| 65× 50 | 76.1×60.3 | 76 | 76 | 60 | |||
| 21/2x2 | 3×2.375 | ||||||
| 80× 32 | 88.9× 42.4 | 86 | 89 | 42 | |||
| 3x11/4 | 3.5× 1.669 | ||||||
| 80× 40 | 88.9× 48.3 | 86 | 89 | 48 | |||
| 3x11/2 | 3.5× 1.9 | ||||||
| 80× 50 | 88.9×60.3 | 86 | 89 | 60 | |||
| 3× 2 | 3.5×2.375 | ||||||
| 80×65 | 88.9×73 | 86 | 89 | 73 | |||
| 3x21/2 | 3.5×2.875 | ||||||
| 80×65 | 88.9×76.1 | 86 | 89 | 76 | |||
| 3x21/2 | 3.5×3 | ||||||
| 100×50 | 108×60.3 | 90 | 98* | 102 | 108 | 60 | |
| 4×2 | 4.25×2.375 | ||||||
| 100×65 | 108×73 | 90 | 98* | 102 | 108 | 73 | |
| 4x21/2 | 4.25×2.875 | ||||||
| 100×65 | 108×76.1 | 90 | 98* | 102 | 108 | 76 | |
| 4x21/2 | 4.25×3 | ||||||
| 100×80 | 108×88.9 | 90 | 98* | 102 | 108 | 89 | |
| 4×3 | 4.25×3.5 | ||||||
| 100×32 | 114.3×42.4 | 90 | 98* | 102 | 114 | 42 | |
| 4x11/4 | 4.5×1.669 | ||||||
| 100×40 | 114.3×48.3 | 90 | 98* | 102 | 114 | 48 | |
| 4x11/2 | 4.5×1.9 | ||||||
| 100×50 | 114.3×60.3 | 90 | 98* | 102 | 114 | 60 | |
| 4×2 | 4.5×2.375 | ||||||
| 100×65 | 114.3×73 | 90 | 98* | 102 | 114 | 73 | |
| 4x21/2 | 4.5×2.875 | ||||||
| 100×65 | 114.3×76.1 | 90 | 98* | 102 | 114 | 76 | |
| 4x21/2 | 4.5×3 | ||||||
| 100×80 | 114.3×88.9 | 90 | 98* | 102 | 114 | 89 | |
| 4×3 | 4.5×3.5 | ||||||
| 125×65 | 133×76.1 | 105 | 121 | 133 | 76 | ||
| 5x21/2 | 5.25×3 | ||||||
| 125×80 | 133×88.9 | 105 | 121 | 133 | 89 | ||
| 5×3 | 5.25×3.5 | ||||||
| 125×100 | 133×108 | 105 | 121 | 133 | 108 | ||
| 5×4 | 5.25×4.25 | ||||||
| 125×100 | 133×114.3 | 105 | 121 | 133 | 114 | ||
| 5×4 | 5.25×4.5 | ||||||
| 125×50 | 139.7×60.3 | 105 | 121 | 140 | 60 | ||
| 5×2 | 5.5×2.375 | ||||||
| 125×65 | 139.7×76.1 | 105 | 121 | 140 | 76 | ||
| 5x21/2 | 5.5×3 | ||||||
| 125×80 | 139.7×88.9 | 105 | 121 | 140 | 89 | ||
| 5×3 | 5.5×3.5 | ||||||
| 125×100 | 139.7×108 | 105 | 121 | 140 | 108 | ||
| 5×4 | 5.5×4.25 | ||||||
| 125×100 | 139.7×114.3 | 105 | 121 | 140 | 114 | ||
| 5×4 | 5.5×4.5 | ||||||
| 125×125 | 139.7×133 | 105 | 121 | 140 | 133 | ||
| 5×5 | 5.5×5.25 | ||||||
| 125×50 | 141.3×60.3 | 105 | 121 | 141 | 60 | ||
| 5×2 | 5.563×2.375 | ||||||
| 125×65 | 141.3×73 | 105 | 121 | 141 | 73 | ||
| 5x21/2 | 5.563×2.875 | ||||||
| 125×80 | 141.3×88.9 | 105 | 121 | 141 | 89 | ||
| 5×3 | 5.563×3.5 | ||||||
| 125×100 | 141.3×114.3 | 105 | 121 | 141 | 114 | ||
| 5×4 | 5.563×4.5 | ||||||
| 150×65 | 159×76.1 | 110 | 120* | 130 | 159 | 76 | |
| 6x21/2 | 6.25×3 | ||||||
| 150×80 | 159×88.9 | 110 | 120* | 130 | 159 | 89 | |
| 6×3 | 6.25×3.5 | ||||||
| 150×100 | 159×108 | 110 | 120* | 130 | 159 | 108 | |
| 6×4 | 6.25×4.25 | ||||||
| 150×100 | 159×114.3 | 110 | 120* | 130 | 159 | 114 | |
| 6×4 | 6.25×4.5 | ||||||
| 150×125 | 159×133 | 110 | 120* | 130 | 159 | 133 | |
| 6×5 | 6.25×5.25 | ||||||
| 150×125 | 159×139.7 | 110 | 120* | 130 | 159 | 140 | |
| 6×5 | 6.25×5.5 | ||||||
| 150×50 | 165.1×60.3 | 110 | 120* | 130 | 165 | 60 | |
| 6×2 | 6.5×2.375 | ||||||
| 150×65 | 165.1×76.1 | 110 | 120* | 130 | 165 | 76 | |
| 6x21/2 | 6.5×3 | ||||||
| 150×80 | 165.1×88.9 | 110 | 120* | 130 | 165 | 89 | |
| 6×3 | 6.5×3.5 | ||||||
| 150×100 | 165.1×108 | 110 | 120* | 130 | 165 | 108 | |
| 6×4 | 6.5×4.25 | ||||||
| 150×100 | 165.1×114.3 | 110 | 120* | 130 | 165 | 114 | |
| 6×4 | 6.5×4.5 | ||||||
| 150×125 | 165.1×133 | 110 | 120* | 130 | 165 | 133 | |
| 6×5 | 6.5×5.25 | ||||||
| 150×125 | 165.1×139.7 | 110 | 120* | 130 | 165 | 140 | |
| 6×5 | 6.5×5.5 | ||||||
| 150×50 | 168.3×60.3 | 110 | 120* | 140 | 168 | 60 | |
| 6×2 | 6.625×2.375 | ||||||
| 150×65 | 168.3×76.1 | 110 | 120* | 140 | 168 | 76 | |
| 6x21/2 | 6.625×3 | ||||||
| 150×80 | 168.3×88.9 | 110 | 120* | 140 | 168 | 89 | |
| 6×3 | 6.625×3.5 | ||||||
| 150×100 | 168.3×108 | 110 | 120* | 140 | 168 | 108 | |
| 6×4 | 6.625×4.25 | ||||||
| 150×100 | 168.3×114.3 | 110 | 120* | 140 | 168 | 114 | |
| 6×4 | 6.625×4.5 | ||||||
| 150×125 | 168.3×133 | 110 | 120* | 140 | 168 | 133 | |
| 6×5 | 6.625×5.25 | ||||||
| 150×125 | 168.3×139.7 | 110 | 120* | 140 | 168 | 140 | |
| 6×5 | 6.625×5.5 | ||||||
| 200×65 | 219.1×76.1 | 146 | 174 | 219 | 76 | ||
| 8x21/2 | 8.625×3 | ||||||
| 200×80 | 219.1×88.9 | 146 | 174 | 219 | 89 | ||
| 8×3 | 8.625×3.5 | ||||||
| 200×100 | 219.1×108 | 146 | 174 | 219 | 108 | ||
| 8×4 | 8.625×4.25 | ||||||
| 200×100 | 219.1×114.3 | 146 | 174 | 219 | 114 | ||
| 8×4 | 8.625×4.5 | ||||||
| 200×125 | 219.1×133 | 146 | 174 | 219 | 133 | ||
| 8×5 | 8.625×5.25 | ||||||
| 200×125 | 219.1×139.7 | 146 | 174 | 219 | 140 | ||
| 8×5 | 8.625×5.5 | ||||||
| 200×150 | 219.1×159 | 146 | 174 | 219 | 159 | ||
| 8×6 | 8.625×6.25 | ||||||
| 200×150 | 219.1×165.1 | 146 | 174 | 219 | 165 | ||
| 8×6 | 8.625×6.5 | ||||||
| 250×80 | 273×88.9 | 190 | 273 | 89 | |||
| 10×3 | 10.75×3.5 | ||||||
| 250×100 | 273×108 | 190 | 273 | 108 | |||
| 10×4 | 10.75×4.25 | ||||||
| 250×100 | 273×114.3 | 190 | 273 | 114 | |||
| 10×4 | 10.75×4.5 | ||||||
| 250×125 | 273×133 | 190 | 273 | 133 | |||
| 10×5 | 10.75×5.25 | ||||||
| 250×125 | 273×139.7 | 190 | 273 | 140 | |||
| 10×5 | 10.75×5.5 | ||||||
| 250×125 | 273×141.3 | 190 | 273 | 141 | |||
| 10×5 | 10.75×5.563 | ||||||
| 250×150 | 273×159 | 190 | 273 | 159 | |||
| 10×6 | 10.75×6.25 | ||||||
| 250×150 | 273×165.1 | 190 | 273 | 165 | |||
| 10×6 | 10.75×6.5 | ||||||
| 250×150 | 273×168.3 | 190 | 273 | 168 | |||
| 10×6 | 10.75×6.625 | ||||||
| 250×200 | 273×219.1 | 190 | 273 | 219 | |||
| 10×8 | 10.75×8.625 | ||||||
| 300×150 | 323.9×159 | 220 | 325 | 159 | |||
| 12×6 | 12.75×6.25 | ||||||
| 300×150 | 323.9×165.1 | 220 | 325 | 165 | |||
| 12×6 | 12.75×6.5 | ||||||
| 300×150 | 323.9×168.3 | 220 | 325 | 168 | |||
| 12×6 | 12.75×6.625 | ||||||
| 300×200 | 323.9×219.1 | 220 | 325 | 219 | |||
| 12×8 | 12.75×8.625 | ||||||
| 300×250 | 323.9×273 | 220 | 325 | 273 | |||
| 12×10 | 12.75×10.75 | ||||||
LEDE company design and manufacture grooved piping system jointing fittings, is a leading China grooved pipe reducing tee manufacturer and supplier, provide pipe jointing and flow control products of fire protection system and water work system. There are different sizes of pipe reducing tee fittings for grooved piping system, made in accordance with UL, CE, ISO certificates, etc. Engineered with complete automation equipment and manufacturing expertise, LEDE company provides quality ductile iron reducing tee as well as custom firefighting and water supply solutions based on the client needs.